その他 6-1/2 Digital Multimeter_YOKOGAWA 7561
(2717件)
Pontaパス特典
サンキュー配送
8700円(税込)
87ポイント(1%)
Pontaパス会員ならさらに+1%ポイント還元!
送料
(
)
7
配送情報
お届け予定日:2026.05.04 5:29までにお届け
※一部地域・離島につきましては、表示のお届け予定日期間内にお届けできない場合があります。
ロットナンバー
73850140669
お買い物の前にチェック!
Pontaパス会員なら
ポイント+1%
ポイント+1%
商品説明
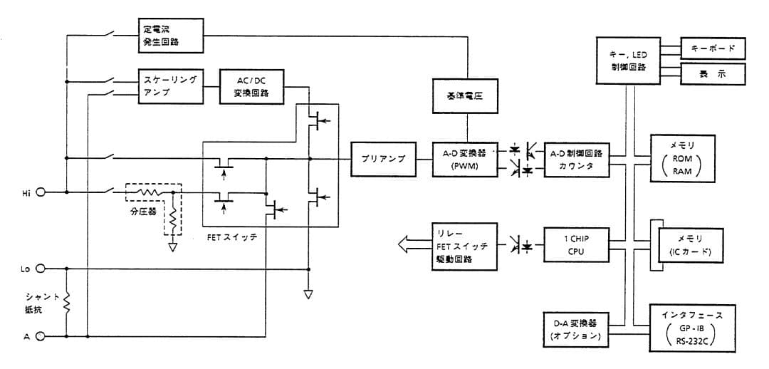
YOKOGAWA6-1/2 高精度デジタルマルチメーターModel : 756102-B-1No.40CC0140- インターフェース: RS-232C,EXT.TRIG & OUTPUT- 電源: AC 100V全面パネルのメモリーカード挿入口が破損しています。リアパネルの左下の脚に修復痕があります。フロントパネルのベゼル部は塗装が施されています。画像1:カタログ7562のフロントパネル画像2:出品製品7561のフロントパネル画像3〜7:外観のチェックをお願いします。画像8:DC Source (YOKOGAWA 7651)から1.0000mVを出力しHP 34401A (6-1/2)と比較しました。画像9:DC Source (YOKOGAWA 7651)から1.00000Vを出力しHP 34401A (6-1/2)と比較しました。画像10:DC Source (YOKOGAWA 7651)から10.0000Vを出力しHP 34401A (6-1/2)と比較しました。画像11:DC Source (YOKOGAWA 7651)から1.00000mAを出力しHP 34401A (6-1/2)と比較しました。上記条件で4-Wireモードにしました、測定リード線の抵抗値はキャンセルされています。画像12:抵抗測定で2-Wireモードで測定リード線の抵抗値の影響が測定されています。画像13:抵抗測定で4-Wireモードで測定リード線の抵抗値の影響が除去されて測定されています。画像14:ブロックダイアグラム画像15:動作原理画像16:DC電圧レンジと分解能画像17:DC電流レンジと分解能画像18:抵抗レンジと分解能上記検査のみ確認しました。お送りするのは本体のみで測定に使用したケーブルと機材は含みません。全ての測定器は校正をかけておりませんので精度の保証はありません。現状でのお渡しで納得いただける方のご検討をお願い致します。追試依頼及び質問はコメントからどうぞ!本製品は7561でAC-V,AC-Iの機能は無いので注意して下さい。AC機能付は7562です。お手元に届いて説明と異なるときは評価の前に測定条件を添えてコメントをお願いします。速かに対応します。ご覧いただき有難うございます。。GSV1200 直流安定化電源。その他 Vibroplex。JESVERTY SPS-1330 DCスイッチング電源 13.8V 30A。その他 Garmin Rino 110。精密直流 電圧/電流発生器 ADVANTEST R6240A 0V-15V 4A。Belcom無線機。GZV4000 DC電源 15V 30A。その他 6-1/2 Digital Multimeter_YOKOGAWA 7561。TRIO無線機&外付けVFO TR-7200II&VFO-30。NF プログラマブルフイルタ 3344 & DT_5FL2。周波数カウンター TFC-2700 10Hz〜2.7GHz 新品。ADVANTEST R6871E 6.5桁 DMM。その他 ALINCO DR-735D。Belcom無線機⑦。Icom IC-7200 m 50w/HF/50MHzトランシーバー。ICOM AH-4 オートアンテナチューナー アイコム アマチュア無線 新品。Tektronix TBS1042オシロスコープ。安価で提供 ふみたてくんMCB3コメット。液晶修理作業 JR 高級プロポ PCM10S 液晶修理 バックアップ電池交換作業。2台セット 新品未使用 アイコムIC-DPR 7PLUS 増波デジタル簡易無線機お店の情報
7,367
連絡・応対
4.3
配送スピード
4.3
梱包
4.3










